Send oss ​​en e-post
Produkter
Airtac Type GR trykkregulator
  • Airtac Type GR trykkregulatorAirtac Type GR trykkregulator

Airtac Type GR trykkregulator

Du kan være trygg på å kjøpe Airtac type GR trykkregulator fra fabrikken vår, og vi vil tilby deg den beste ettersalgsservicen og rettidig levering.

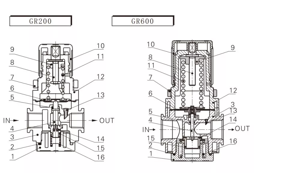
Airtac type GR trykkregulator gir stabil og presis trykkregulering for pneumatiske systemer. OLK  GR pneumatisk regulator med slitesterk konstruksjon og enkel justering, sikrer pålitelig ytelse i automasjonsutstyr, luftverktøy, kompressorer og generelle industrielle applikasjoner. Kompatibel med filtre, smøreapparater og FRL-enheter.

Airtac type GR trykkregulator Produktegenskaper:

· Innebygd firkantet trykkmåler sparer installasjonsplass (ekstern rund måler valgfritt).

· Låsedesign forhindrer utilsiktet trykkjustering forårsaket av ytre kraft.

· Balansert trykkregulerende struktur sikrer stabilt trykk, små svingninger og god ytelse.

·Kan installeres på et panel eller med en valgfri monteringsbrakett.

·I tillegg til standardmodellen er en lavtrykkstype også tilgjengelig (maksimalt justerbart trykk: 0,4 MPa)


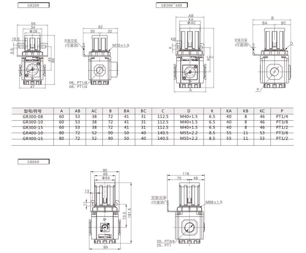
GR trykkregulator Symbol:

Bestillingskode

GR200

--

08

Modell:

 

Portstørrelse:

GR200-serien trykkregulator

 

06:PT:1/8

GR300-seriens trykkregulator

 

08:PT1/4

GR400-seriens trykkregulator

 

10:PT3/8

GR600-seriens trykkregulator

 

15:PT1/2

 

 

20:PT3/4

 

 

25:PT1


Modell

GR200-06

GR200-08

GR300-08

GR300-10

GR300-15

GR400-10

GR400-15

GR600-20

GR600-25

Arbeidsmedium

LUFT

Portstørrelse

PT1/8

PT1/4

PT1/4

PT3/8

PT1/2

PT3/8

PT1/2

PT3/4

PT1

Driftstrykkområde

0,05–0,9 MPa (20–130 psi)

Arbeidstrykkområde

1,5 MPa (215 psi)

TEM.

-20--70 ℃

Vekt

160 g

350 g

720 g

1700 g


Slik justerer du Airtac type GR trykkregulator

Det er en trykkskala på justeringshetten. Når luft tilføres, trekk opp knappen og vri den med klokken mot "+"-tegnet for å øke trykket. Etter justering, trykk knappen ned for å låse den.


Trinn 1: Hold knotten og trekk den opp.

Trinn 2: Vri den med klokken for å øke trykket.

Trinn 3: Trykk knappen ned for å låse etter justering.


Merk: Vær oppmerksom på pilen som indikerer luftstrømretningen når du kobler til. Omvendt innløpstilkobling kan forårsake luftlekkasje.




Vanlige spørsmål:

Hva betyr GR?

GR betyr GR-serien luftregulator.


Hva betyr GFC?

GFC=GFR+GL  (Filterregulator + Lubricator)


Hva betyr GC?

GC=GF+GR+GL (filter + pneumatisk regulator + smøreapparat)



Hot Tags: Airtac Type GR trykkregulator, Kina, produsent, leverandør, fabrikk
Send forespørsel
Kontaktinfo
Velkommen til vår nettside! For spørsmål om våre produkter eller prisliste, vennligst legg igjen din e-post til oss, så tar vi kontakt innen 24 timer.
E-post
cici@olkptc.com
Mobil
+86-13736765213
Adresse
Zhengtai Road, Xinguang Industrial Zone, Liushi, Yueqing, Wenzhou, Zhejiang, Kina.
X
Vi bruker informasjonskapsler for å gi deg en bedre nettleseropplevelse, analysere nettstedstrafikk og tilpasse innhold. Ved å bruke denne siden godtar du vår bruk av informasjonskapsler. Personvernerklæring
Avvis Akseptere