Send oss ​​en e-post
Produkter
TAC pneumatisk vippeventil
  • TAC pneumatisk vippeventilTAC pneumatisk vippeventil

TAC pneumatisk vippeventil

Som den profesjonelle produksjonen, vil OLK gjerne gi deg TAC pneumatisk vippeventil. Og OLK vil tilby deg den beste tjenesten etter salg og rettidig levering.

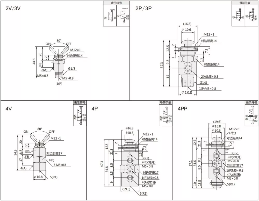
TAC -pneumatisk vekslingsventil (også kjent som en bryterventil) er en presisjonsbyttekomponent som er spesielt designet for pneumatiske systemer og væskekontroll. Med sin unike kontrollstruktur av Toggle-typen oppnår den rask bytte og presis kontroll av væskebaner.

TAC -serien Toggelventilen har 2 posisjon 2 veier, 2 posisjon 3 veier og 2 posisjon 5 veier kan valges. En forskjellige spaketype og to typer tråd: M5, G1/8.

Applikasjonsscenarier

Industrielt automatiseringsutstyr, mekanisk prosessering, bygningsmateriell prosessering, energi og gruvedrift, mat- og drikkeindustri, medisinsk utstyr, etc.

Produktfunksjoner

Den er liten i størrelse, krever lite installasjonsplass og er intuitiv å operere manuelt, noe som gjør det egnet for scenarier som krever hyppig bytte.

TAC vippeventilsymbol og disposisjon

Oderkode

Tac

2

__

2

P

 

 

 

 

 

TAC -serien Toggle Valve

 

 

2: 2Posisjon 2 Way (M5)

P: Trykk-pull-knappetype

 

 

 

3: 2 Posisjon 3 vei (M5)

V: Håndspaketype

 

 

 

4: 2 Powition 5 Way (M5)

PP: Dobbelt trykk-pull-knapp

 

 

 

31: 2 Posisjon 3 vei (G1/8)

 

 

 

 

41: 2 Powition 5 Way (G1/8)

 

 

Modell

Portstørrelse

 

Tall
av posisjon

Effektiv  
tverrsnittsareal

Trykkområde

Arbeidsvæske

Omgivende
Temperatur

 

TAC-2V

Innløp = stikkontakt = m5   

2 Posisjon 2 veier

1,9 mm²

0,05 ~ 0,9ppa

Luft

0 ~ 60

TAC-2P

Innløp = stikkontakt = m5   

2 Posisjon 2 veier

1,9 mm²

TAC-3V

Innløp = stikkontakt = m5   

2 Posisjon 3 vei

1,9 mm²

TAC-3P

Innløp = stikkontakt = m5   

2 Posisjon 3 vei

1,9 mm²

TAC-4V

Innløp = stikkontakt = m5   

2 Posisjon 5 vei

1,9 mm²

TAC-4P

Innløp = stikkontakt = m5   

2 Posisjon 5 vei

1,9 mm²

4pp

G1/8

 

2 Posisjon 5 vei

4,5 mm²

TAC2-31V

Innløp = stikkontakt = eksos = g1/8   

2 Posisjon 3 vei

4,5 mm²

Tac2-31p

Innløp = stikkontakt = eksos = g1/8   

2 Posisjon 3 vei

4,5 mm²

TAC2-41V

Innløp = utløp = g1/8 eksos = m5

2 Posisjon 5 vei

4,5 mm²

Tac2-41p

Innløp = utløp = g1/8 eksos = m5

2 Posisjon 5 vei

4,5 mm²

TAC2-41pp

Innløp = utløp = g1/8 eksos = m5

2 Posisjon 5 vei

4,5 mm²

Vanlige spørsmål:

Hva er forskjellen mellom vekslingsventil og mekanisk ventil?

Det kan skille vippeventil og mekanisk ventil ved kontrolltype: Vekslingsventilen er pined spak holde type, mekanisk ventil er trykk-pull-knappetype eller rulletype

 

Hva er forskjellen mellom vekslingsventil og andre ventiler?

Presis kontroll: Ventiler for å oppnå finstrømningsregulering gjennom en konisk ventilkjerne, som er egnet for presis kontroll i rørledninger med små diameter, mens kuleventiler er mer egnet for rask åpning og lukking av operasjoner.

Hot Tags: TAC pneumatisk vippeventil, Kina, produsent, leverandør, fabrikk
Send forespørsel
Kontaktinfo
Velkommen til vår nettside! For spørsmål om våre produkter eller prisliste, vennligst legg igjen din e-post til oss, så tar vi kontakt innen 24 timer.
E-post
cici@olkptc.com
Mobil
+86-13736765213
Adresse
Zhengtai Road, Xinguang Industrial Zone, Liushi, Yueqing, Wenzhou, Zhejiang, Kina.
X
Vi bruker informasjonskapsler for å gi deg en bedre nettleseropplevelse, analysere nettstedstrafikk og tilpasse innhold. Ved å bruke denne siden godtar du vår bruk av informasjonskapsler. Personvernerklæring
Avvis Akseptere